В 1965 году американская армия получила первые автоматические гранатометы M75, предназначавшиеся для использования на вертолетах нескольких типов. Это оружие заметным образом повышало огневую мощь ударной авиации, но имело характерные недостатки. В связи с этим военные заказали разработку нового образца оружия, имеющего преимущества перед существующим. Результатом нового проекта стало появление и принятие на вооружение автоматического гранатомета под названием M129.
Автоматический гранатомет XM75 / M75 от компании Philco-Ford Corporation изначально создавался в качестве перспективного оружия для авиации и не рассматривался в контексте перевооружения пехоты или боевых машин. В итоге серийные изделия использовались только в составе оружейных установок для вертолетов. Главной причиной этого стал тот факт, что автоматика гранатомета использовала электрический мотор, нуждавшийся в соответствующем питании. О применении такого оружия в пехоте речи не шло.
Еще в ходе испытаний было установлено, что M75, имея достаточные огневые характеристики, не отличается совершенством и удобством использования. К примеру, крупный барабан привода автоматики во время вращения создавал гироскопический момент и мешал переносу огня. Также оружие оказалось слишком чувствительным к загрязнениям. Как следствие, уже в 1963 году армия пожелала получить новое оружие с теми же характеристиками, но без известных недостатков.
Разработку нового гранатомета для авиации и, возможно, для сухопутных войск поручили компании «Филко-Форд». Подразумевалось, что новый образец станет улучшенной версией уже существующего. Проектирование началось в конце 1963 года и не заняло много времени. Проект глубокой модернизации имеющегося оружия получил совершенно новое обозначение – XM129, не указывавшее на связь с предыдущим образцом. Позже, после принятия на вооружение, гранатомет лишился литеры «X».
В ходе испытаний стало ясно, что предложенный вариант автоматики с внешним приводом, в целом, решает поставленные задачи. Однако в существующем виде он приводит к появлению некоторых проблем. Как следствие, конструкторы Philco-Ford решили сохранить общие положения проекта M75, но доработать конструкцию оружия в целом и отдельных его компонентов. Прежде всего, перекомпоновке подвергли внешний привод ствола, необходимый для выполнения перезарядки.
Главным элементом оружия по-прежнему являлась ствольная коробка. Как и ранее, она имела прямоугольную форму. При этом с нее удалили вертикальные стойки для монтажа электромотора и приводного барабана. Вместо них на коробке теперь располагались поперечные кольца-направляющие требуемого диаметра. В передней части коробки имелись направляющие для подвижного ствола. Сзади сверху предусмотрели крепления для двигателя и редуктора. Под ними находились окна для подачи ленты и выброса стреляных гильз. Сзади на оружии крепился простейший ударно-спусковой механизм.
Гранатомет получил нарезной ствол калибром 40 мм длиной 16,5 дюйма (419 мм). Ствол имел цилиндрическую внешнюю поверхность с усилением вблизи казенной части. Рядом с казенником конструкторы сохранили выступ-зацеп, необходимый для работы с внешним приводом. Во время стрельбы ствол под действием внешних механизмов должен был перемещаться назад и вперед. При этом отдельный затвор не предусматривался. Его функции выполняла задняя стенка ствольной коробки.
Принципы действия внешнего привода, в целом, не изменились, хотя его конструкция была переработана самым заметным образом. На ствольной коробке сзади располагалась опора с электродвигателем достаточной мощности. Он использовал постоянный ток напряжением 28 В и выдавал 8 тыс. оборотов в минуту. Непосредственно рядом с двигателем располагались короткий гибкий вал, исключающий передачу импульса отдачи на ротор, а также несложный редуктор с парой зубчатых колес.
На переднюю часть ствольной коробки, оснащенную кольцевыми направляющими, конструкторы буквально надели барабан новой конструкции. От детали гранатомета M75 он отличался большими размерами и иной формой направляющих. Передний торец барабана имел отверстие для выхода ствола. Его цилиндрическая стенка получила внутреннюю канавку-направляющую для взаимодействия с зацепом ствола. Сзади снаружи на барабане имелся крупный зубчатый обод, соединявшийся с редуктором электромотора. На своем месте барабан удерживался внутренними направляющими и U-образной деталью, находившейся возле его передней стенки.
Оружие не имело отдельного ударно-спускового механизма, что было связано с особой конструкцией автоматики. Изнутри на задней стенке ствольной коробки, выполнявшей функции затвора, поместили фиксированный ударник. Как следствие, отсутствовал и предохранитель, блокирующий механизмы. Для предотвращения стрельбы использовался переключатель, разрывавший электрические цепи.
Подобно предшественнику, гранатомет XM129 использовал ленточное питание. Гранаты типа 40х53 мм предлагалось размещать в рассыпных металлических лентах и подавать к оружию через гибкий рукав. Лента подавалась в оружие через окно в одном борту; гильзы и звенья выбрасывались с другой стороны. В зависимости от типа гранатометной установки, могли использоваться разные варианты систем подачи ленты и удаления гильз: лента могла подаваться как справа, так и слева.
Управление новым гранатометом осуществлялось при помощи электрических систем. Одновременно с этим имелось сразу два предохранителя – электрический и механический. Первый попросту отключал питание гранатомета, а второй по команде с пульта управления блокировал ствол в крайнем переднем положении. Также, по опыту эксплуатации M75, была предложена т.н. динамическая система торможения. Она обеспечивала остановку ствола только в крайнем переднем положении. Благодаря этому в каморе ствола не мог остаться неиспользованный выстрел, что сокращало риски.
Гранатомет XM129 не имел штатных прицельных приспособлений. Его предлагалось наводить при помощи разных средств, тип которых зависел от варианта установки и носителя. Подвижные вертолетные турели должны были сопрягаться с прицелами в кабине летчиков, а установки с ручным управлением планировалось оснащать кольцевыми дистанционными прицелами.
Максимальная длина гранатомета без дополнительных устройств составляла 23,5 дюйма (597 мм). Ширина и высота – около 9 дюймов (не более 230-240 мм). Собственная масса оружия – 43 фунта (19,5 кг). Следует учесть, что гранатомет должен был использоваться с разными установками, а весь «комплекс» в сборе оказывался крупнее и тяжелее.
Принцип работы автоматики с внешним приводом почти не изменился. Нажимая гашетку, стрелок подавал напряжение на электродвигатель. Тот через редуктор вращал барабан по часовой стрелке относительно стрелка. При помощи фигурной направляющей барабан заставлял ствол сдвигаться назад. При этом происходил захват выстрела, ствол надевался на него и прижимал к задней стенке ствольной коробки. После полного отката ствола происходил накол капсюля и выстрел. Непрерывно вращающийся барабан начинал смещать ствол вперед, в результате чего гильза выбрасывалась наружу. Дальнейшая работа электромотора приводила к новому выстрелу. На каждый оборот барабана приходилось по выстрелу.
Обновленная автоматика гранатомета XM129 позволяла делать 440 выстрелов в минуту. Начальная скорость гранаты – 790 футов в секунду (240 м/с). Дальность огня осталась на прежнем уровне и, в зависимости от угла возвышения, достигала 1800-1850 м. Использование гранатомета на вертолете позволяло некоторым образом увеличить дальность стрельбы.
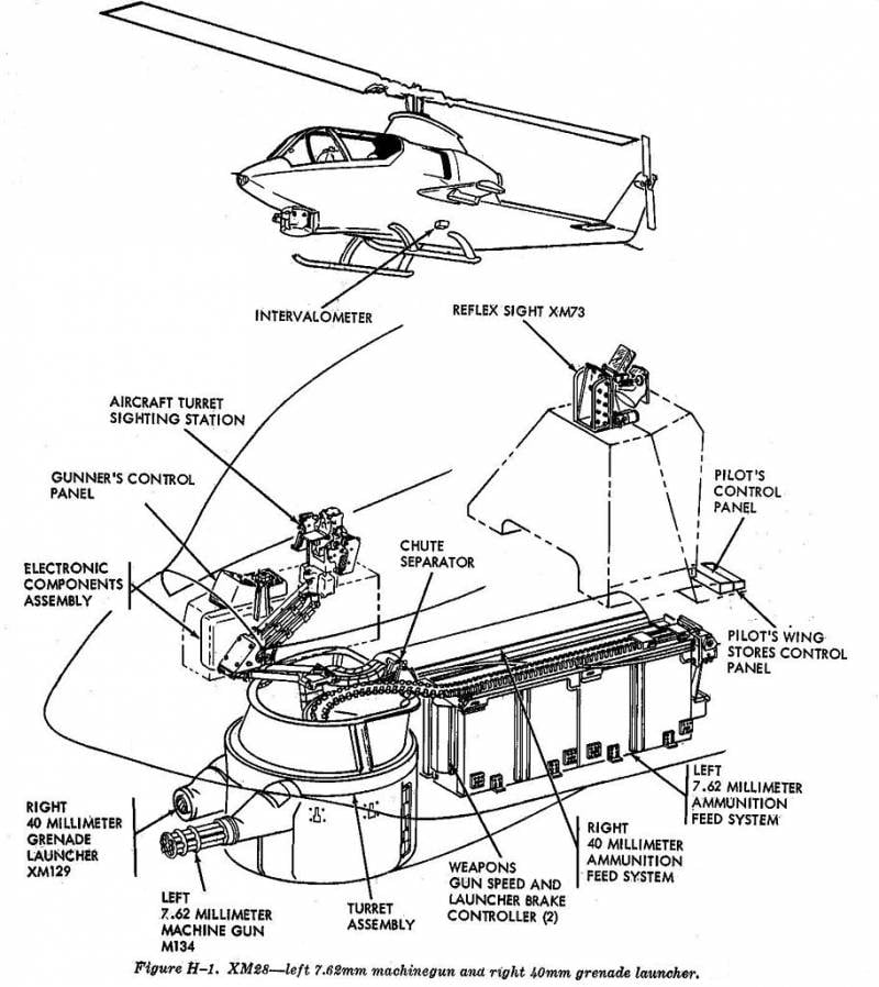
Автоматический гранатомет XM129 рассматривался в качестве замены для не самого совершенного M75. В связи с этим он должен был использоваться на вертолетных турелях M28. Такое изделие имело дистанционно управляемые приводы и могло оснащаться гранатометами или многоствольными пулеметами. Оно было разработано для новых модификаций вертолетов AH-1 Cobra.
Также была разработана установка XM94, представлявшая собой специальный станок для монтажа на транспортных вертолетах. На опорной плите такой установки монтировалось U-образное крепление для гранатомета с рукоятками для ручного наведения и соответствующими электрическими средствами. Боеприпасы должны были подаваться по гибкому рукаву из крупного ящика. XM94 планировалось устанавливать в бортовых проемах вертолетов. Изделие управлялось человеком.
Впоследствии были предложены еще несколько вариантов установок для монтажа XM129 на вертолетах или иной технике. К примеру, это оружие рассматривалось в контексте оснащения перспективного вертолета AH-59 Chyenne. Впрочем, разработка этой машины была прекращена, а создававшуюся для нее установку XM51 решили переработать для существующих вертолетов. Этот проект тоже не имел особого успеха.
Не позднее 1965 года компания Philco-Ford Corporation представила на испытания опытные образцы новейшего автоматического гранатомета. В условиях полигона были подтверждены соответствие характеристикам и наличие преимуществ перед предыдущим M75. В связи с этим новый образец получил рекомендацию к принятию на вооружение. В 1966-67 годах появился соответствующий приказ, а также заказ на серийное производство.
Выпуск нового оружия был освоен достаточно быстро, и уже в 1967 году армейская авиация США смогла опробовать обновленные вертолетные установки M28. Кроме того, в тот же период армии передали первые изделия M94. Теперь транспортные и боевые вертолеты могли комплектоваться автоматическими гранатометами как с дистанционным, так и с ручным управлением. Все это могло заметным образом повысить огневую мощь техники и положительным образом сказаться на результатах ее боевой работы.
Серийное производство изделий M129 продолжалось до начала семидесятых годов. За это время американская промышленность получила не менее 1670 единиц такого оружия. Существенная часть этих изделий пошла на замену имеющихся M75. Прочие поставлялись армии в составе полноценных установок разных типов. Со временем носителями новых M129 в разном исполнении стали вертолеты AH-1 Cobra, UH-1 Huey, OH-6A Cayuse и OH-58 Kiowa.
В 1966 году появилась любопытная модификация базового M129 под названием XM173. Этот проект отличался отсутствием электрического привода автоматики. Вместо него использовали несложную систему с ручным приводом. В подобной конфигурации гранатомет можно было устанавливать не только на транспортные средства с подходящими электрическими системами. При необходимости XM173 даже мог использоваться со станком-треногой.
Для проведения испытаний было собрано шесть опытных XM173, и с их помощью специалисты установили перспективы нового проекта. Оказалось, что такое оружие не соответствует требованиям практического применения, и потому не представляет интереса для армии. Вероятно, гранатомет с ручным приводом отличался чрезмерными нагрузками на рукоятке, а кроме того, имел неудачную эргономику. Так или иначе, гранатомет на вооружение не поступил.
С использованием наработок по установке M94 была создана модификация гранатомета под обозначением XM182, предназначенная для установки на сухопутных машинах. Она почти не отличалась от базового образца и комплектовалась особым станком. Однако предложенный вариант гранатомета не устроил заказчика, и потому не вышел из стадии испытаний.
За несколько лет компания «Филко-Форд» разработала целый ряд модификаций автоматического гранатомета M129, но в серию пошла лишь базовая версия. Из всех вариантов использования этого оружия потенциальный заказчик выбрал лишь те, которые были связаны с оснащением вертолетов. За несколько следующих лет армия США получила почти 1700 изделий M129 с несколькими установками для монтажа на вертолетах.
Как и предыдущий M75, новый M129 появился весьма вовремя и сразу смог отправиться на войну. Американская боевая авиация принимала самое активное участие во Вьетнамской войне и использовала там все доступные вооружения, в том числе вертолетные установки с автоматическими гранатометами. 40-мм гранаты вновь подтвердили свой потенциал. При этом речь шла о некотором улучшении боевых качеств, поскольку вертолет теперь мог нести сразу несколько гранатометов на разных установках.
По разным данным, эксплуатация автоматических гранатометов M129 продолжалась почти до начала восьмидесятых годов. За это время армия США успела потерять некоторое количество таких изделий вместе с носителями, а значительная доля оружия попросту выработала свой ресурс и подлежала утилизации. Кроме того, продолжалась разработка новых систем вооружения для боевых вертолетов, и эти образцы показывали заметные преимущества перед существующими. Как следствие, авиационная техника постепенно переоснащалась и лишалась сравнительно старого оружия. Со временем все M129 и установки с ними были выведены из эксплуатации.
Следует предполагать, что у отказа от M129 была еще одна причина. При всех своих преимуществах, автоматический гранатомет не мог быть основным или одним из главных вооружений боевого вертолета. Куда более эффективным оружием оказывались малокалиберные пушки. Поэтому все новые модификации ударных вертолетов комплектовались именно полноценной артиллерией, а не пулеметами или автоматическими гранатометами. Последние сохранились в авиации только в качестве средства самообороны на транспортных вертолетах.
В основе проекта Philco-Ford Corporation XM129 лежало желание армии получить более удачное оружие, лишенное характерных недостатков имеющегося образца. Эта задача была успешно решена, что открыло гранатомету путь в войска в составе разных систем. Впрочем, через несколько лет мнение авиации, получившей необходимый опыт, стало меняться. Она потеряла интерес к автоматическим гранатометам как к основному вооружению вертолета. Тем временем сухопутные войска успели опробовать такое оружие и заказать несколько новых образцов.
http://guns.wikia.com/
Chinn G.M. The Machine Gun, Vol. Five. 1987.
Карпенко А.В. Автоматические гранатометы – оружие XX века. М.: Цейхгауз, 2007.






